申博_申博手机版-平台官网申博

我们非常重视您的个人隐私,当您访问我们的网站时,请同意使用的所有cookie。有关个人数据处理的更多信息可访问《隐私政策》

产品中心
直流有刷电机集成驱动

产品中心

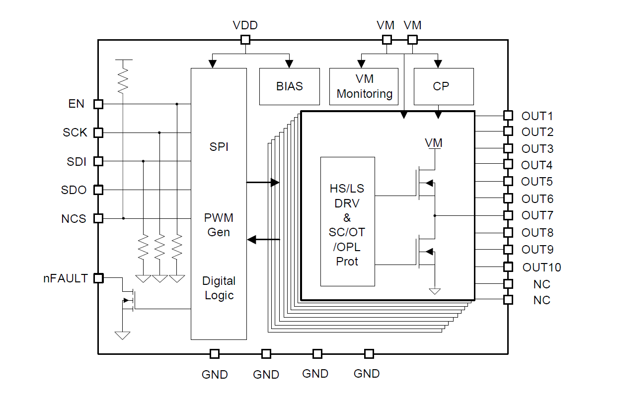
40V 10通道半桥驱动芯片

NSD8310/8310A-Q1是一款多通道半桥驱动芯片,内部集成10通道半桥。通过灵活配置,该芯片可以支持多种不同的负载类型,包括直流有刷电机,步进电机,继电器和LED等。该芯片集成了PWM生成器,用户可以通过SPI接口轻松配置PWM频率和占空比,实现对负载的精确控制,可应用于直流有刷电机软启动与LED调光等;同时该产品提供智能诊断功能,帮助车机系统监测负载连接状态,如果出现断线或者短路情况,外部MCU可以通过芯片内部寄存器获取独立通道的报错信息。

产品特性

- 宽工作电压范围:4.5V~36V(最大耐压40V)

- 导通电阻(HS + LS):1.7Ω

- 峰值电流:1A

- PWM生成器支持可配置频率与占空比

- 开路诊断

- 欠压保护与过压保护

- 工作温度:Tj=-40°C~150°C

- 满足AEC-Q100车规认证

应用场景

- 汽车车身控制器

- 汽车区域控制器

- 汽车空调控制器

- 汽车热管理系统

功能框图

image.png

如您需要咨询产品更多信息,请点击“申博”,我们将尽快回复您!

申博