我们非常重视您的个人隐私,当您访问我们的网站时,请同意使用的所有cookie。有关个人数据处理的更多信息可访问《隐私政策》
产品特性
完全符合 ISO11898-2 标准
电源断开时 CAN 总线具有理想的无源行为
电压范围支持 3V 和 5V MCU
总线故障保护 -70V 至 +70V
传输数据 (TXD) 显性超时功能
过流和过热保护
数据速率:高达 5Mbps
低环路延迟: <250ns
工作温度:-40℃ 至 +125℃
符合 RoHS 标准
应用场景
CAN 总线标准,如 CANopen、DeviceNet、NMEA2000、ARNIC825、ISO11783 和 CANaerospace
多负载 CAN 网络,速率可低至 10 kbps
工业自动化、控制、传感器和驱动系统
楼宇、安全和气候控制自动化
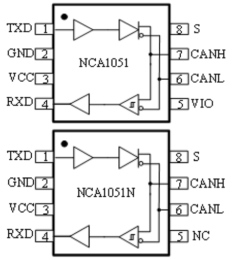
功能框图

所有资源

如您需要咨询产品更多信息,请点击“申博”,我们将尽快回复您!