申博_申博手机版-平台官网申博

我们非常重视您的个人隐私,当您访问我们的网站时,请同意使用的所有cookie。有关个人数据处理的更多信息可访问《隐私政策》

产品中心

更多内容

纳芯微推出隔离CAN收发器,提升工业系统的集成度和可靠性

2020/05/20

纳芯微推出隔离CAN收发器,提升工业系统的集成度和可靠性.png


国内领先的信号链芯片及其解决方案提供商申博电子股份有限公司(以下简称“纳芯微”)宣布推出隔离CAN收发器NSi1050,继续扩充公司丰富的隔离产品线,满足客户对隔离产品的多样化需求。该芯片集成了双通道数字隔离器和高可靠性CAN收发器,高集成度方案有助于简化系统设计,提升工业系统的可靠性。NSi1050隔离耐压高达5kVrms,满足增强隔离要求,并符合各种工业系统的安规需求,可广泛应用于工业自动化、电梯、电力、不间断电源、储能和其他工业接口卡等各类需要隔离CAN的工业通信系统中。


NSi1050具有高隔离耐压、高共模抗扰、高ESD、高集成度以及高可靠性的特点,其抗共模瞬态干扰度(CMTI)可达80kV/us,传输速率高达1Mbps。与传统CAN接收器加光耦的分立方案相比,NSi1050集成度更高,可帮助设计者节约PCB布板面积。基于创新的“Adaptive OOK”电容隔离技术,NSi1050实现了更低的辐射噪音和更高的抗干扰性能。


NSi1050性能特点:

  • 完全符合ISO11898-2标准

  • 高达5kVrms的隔离耐压

  • 80KV/us抗共模瞬态干扰度

  • 传输速率可达1Mbps

  • 芯片级ESD:HBM ±8kV

  • 逻辑测供电范围:2.5V ~ 5.5V

  • CAN总线供电范围:4.5V ~ 5.5V

  • 总线保护电压:-40V ~ +40V

  • TXD显性超时保护功能

  • 电流与温度保护机制

  • 工作温度范围:-40℃~125℃


NSi1050提供WB SOIC-16、DUB-8两种封装形式,完全兼容ISO11898-2技术标准,可广泛应用于各类需要隔离CAN的通信系统中,例如变频、伺服、PLC等工业自动化场景,电梯的变频器、轿厢板、内外呼板等模块,配网自动化终端xTU、充电桩等电力系统,以及不间断电源、储能和其他工业接口卡应用中。

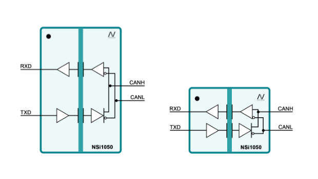
纳芯微推出隔离CAN收发器,提升工业系统的集成度和可靠性2.png

NSi1050功能框图


纳芯微致力于技术突破与应用创新,后续将推出隔离ADC、隔离电流运放、隔离电压运放等一系列隔离产品,为客户提供更加丰富的产品组合与解决方案,敬请关注。


样品申请与产品咨询:

请发邮件至sales@goto-uk.com 索取更多关于隔离CAN收发器的详细信息。


申博