Automotive Grade Octal Buffers and Line Drivers With 3-State Outputs
NCA8244-Q1 is an automotive grade octal buffer/driver used for improving driver ability of bus-oriented receivers and transmitters, clock drivers etc. and ensuring the accuracy of signal timing. It provides four channels in each direction with separate output-enable(/OE) input that low active. When /OE is active, NCA8244-Q1 transmits data from A to Y. When /OE is high, the outputs are in the high-impedance state. During power up and power down, /OE should be tied to VCC through a pullup resistor to ensure the high impedance state. NCA8244-Q1 can tolerate up to 5.5V input voltage and each channel supports maximum 24 mA current drive. All unused inputs must be held at VCC or GND to prevent excess supply current.
Product Features
• AEC-Q100 certificated
• Input: CMOS
• Power supply voltage: 4.5V-5.5V
• Input pins can withstand up to 5.5V inputs
• Chip-level ESD: HBM: ±4kV
• 3-state output
• Operation temperature:-40℃-125℃
• RoHS-compliant package: TSSOP20
Application
• Motor driver
• I/O modules
• LED displays
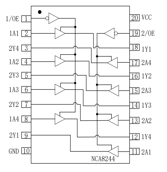
Functional Block Diagram


For more product information, please contact us.