• 申博_申博手机版-平台官网申博

    Product

    Product

    Automotive High Voltage Half-bridge Non-isolated Gate Driver

    NOVOSENSE high-voltage half-bridge driver IC NSD1624x-Q1 is designed with +4/-6A drive current and can be used to drive various power devices such as MOSFET/IGBT.

    The isolation technology scheme is applied to high-voltage half-bridge driver by NOVOSENSE innovatively, so that the high-voltage output side can withstand up to 1200V DC voltage, while SW can meet the requirements of high dv/dt and can withstand negative spike. It can be applied to high-voltage half-bridges, full-bridges and LLC power supply topologies.

    NSD1624x-Q1 input is compatible with TTL/CMOS. Both the high-voltage side and the low-voltage side are designed with independent power supply undervoltage protections (UVLO), which operate in the voltage range of 10~20V.

    Product Features

    • Voltage range on high voltage side: +/-1200V (SOP14 package); +/-700V (SOP8 package)

    • Less than 35ns propagation delay, less than 7ns delay matching

    • +4/-6A drive current capability

    • High/low side independent UVLO protection

    • Independent Logic Ground Pin (SOP14 package)

    • Anti-interference of dV/dt on high voltage side up to 150kV/us

    • Operating temperature range: -40°C~125°C

    • AEC-Q100 qualified

    Application

    • Half-bridge, full-bridge, and LLC power supply topology

    • Power supply for industrial, communication and server applications which requires high efficiency and high density

    • Solar energy, motor drivers and new energy fields

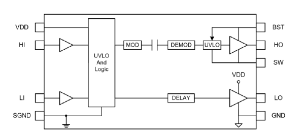
    Functional Block Diagram

    image.png

    For more product information, please contact us.

    申博