NSOPA801x/NSOPA801xQ: Low Voltage, General Purpose, Low-power Operational Amplifiers
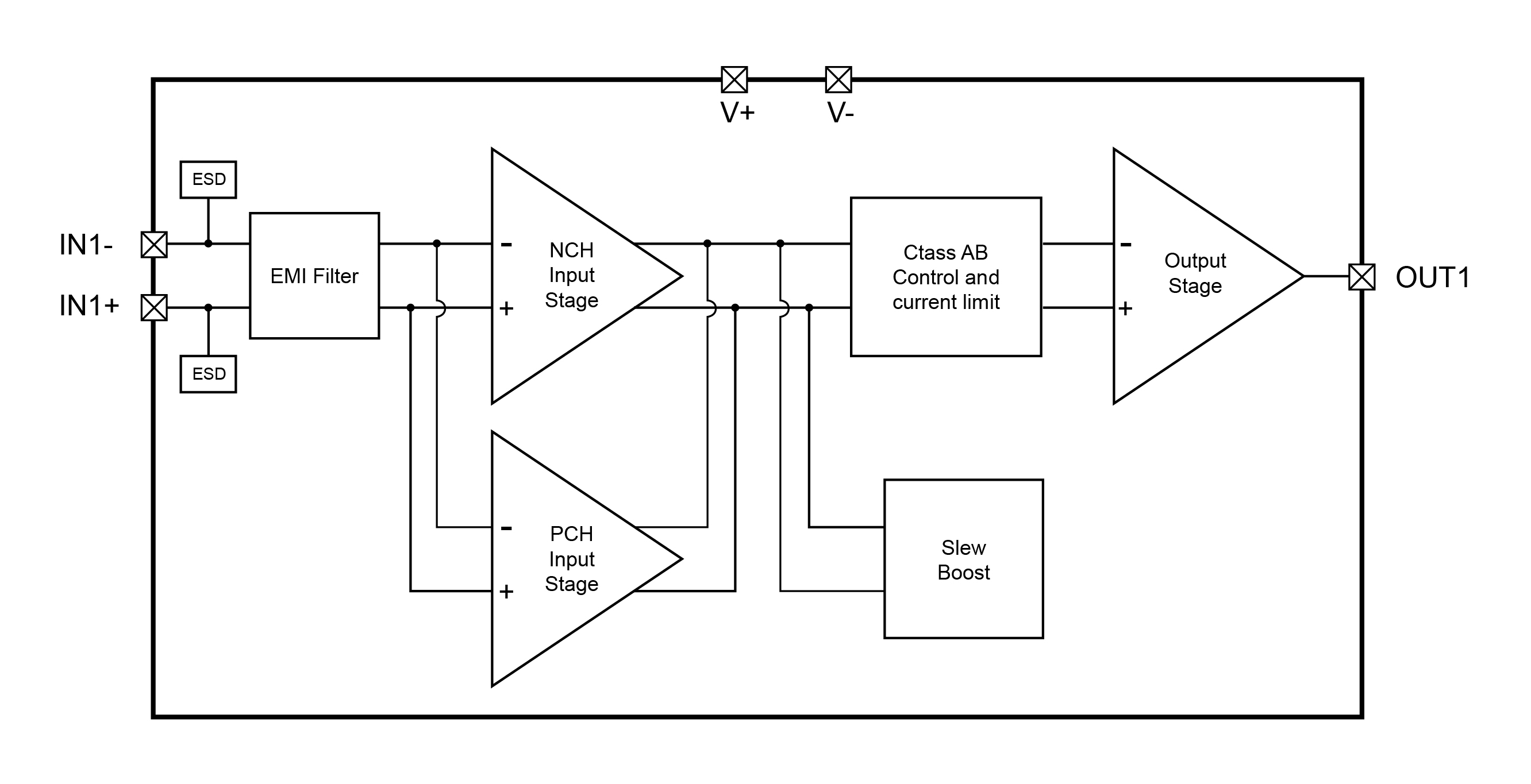
The NSOPA801x/NSOPA801xQ series is a low voltage (1.8 V to 5.5 V), general purpose, low-power operational amplifiers (op amps) with rail-to-rail input and output swing capabilities. These op amps provide a cost-effective solution for low-voltage operation and high capacitive-load drive are required. The capacitive-load drive of the NSOPA801x/NSOPA801xQ series is 1nF, and the resistive open-loop output impedance makes stabilization easier with much higher capacitive loads. The robust design of the NSOPA801x/NSOPA801xQ series simplifies circuit design. The op amps feature unity-gain stability, an integrated RFI and EMI rejection filter, and no-phase reversal in overdrive conditions. Micro-size packages, such as SC70-5, along with industry-standard packages such as SOT23-5L, SOP, MSOP, and TSSOP packages.
Product Features
Supply voltage range: 1.8V to 5.5V
Rail-to-rail input and output
Low input offset voltage: ±0.55 mV (typical)
Gain-bandwidth product: 1.5 MHz
Unity-gain stable
Low broadband noise: 22 nV/√Hz (typical)
Low input bias current: 5 pA (typical)
Low quiescent current: 78 µA/Ch (typical)
Internal RFI and EMI filter
Extended temperature range: –40°C to 125°C
AEC-Q100 qualified for automotive applications
Application
Infotainment and Cluster
HEV/EV inverter and motor control
Advanced driver assistance systems (ADAS)
On-board (OBC) and wireless charger
Power-train current sensor
Single-supply, low-side, unidirectional current sensing
circuit
Functional Block Diagram


For more product information, please contact us.