40V 8-channel Half-bridge Driver IC
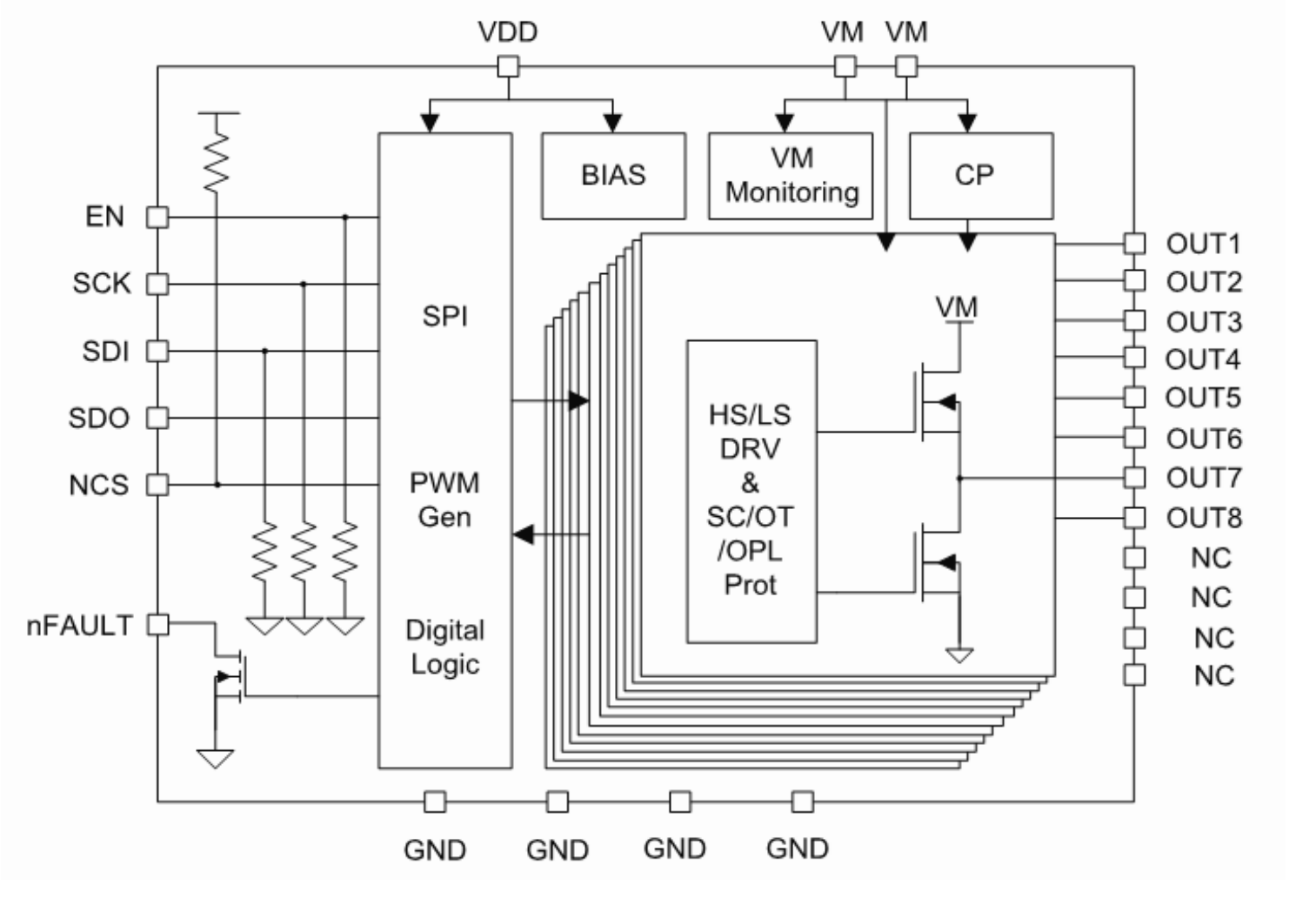
NSD8308-Q1 is a multi-channel half-bridge driver IC with 8-channel half-bridge structures. Through flexible configuration, the IC can support different load types including brushed DC motors, stepping motors, relays, LEDs, etc. The IC is designed with a built-in PWM generator, which can configure PWM frequency and duty cycle to control load only through SPI, and can be applied to soft start of brush DC motor and LED dimming, etc. At the same time, the product is designed with intelligent diagnosis function to help the vehicle system judge load connection status. In case of disconnection or short circuit, the external MCU can obtain fault reporting information from register built in the IC for each channel.
Product Features
• Wide operating voltage range: 4.5V –36V (withstand voltage of 40V)
• On-resistance(HS + LS)1.7 Ω
• Peak current 1.3A
• PWM generator supports configurable frequency and duty cycle
• Open circuit diagnosis
• Undervoltage protection and overvoltage protection
• Operating temperature: -40°C to 125°C
• AEC-Q100 qualified
Application
• Vehicle body controller
• Vehicle domain controller
• Vehicle air conditioning controller
Functional Block Diagram


For more product information, please contact us.