40V 10-channel Half-bridge Driver IC
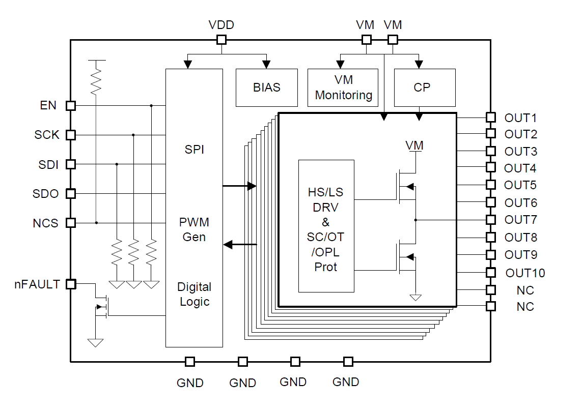
NSD8310/8310A-Q1 is a multi-channel half-bridge driver chip, which integrates 10 channels of half-bridges. Through flexible configuration, It can support various types of loads, including DC brushed motors, stepper motors, relays, and LEDs, etc. The chip features an internal PWM generator which could control the loads by configuring PWM frequency and duty cycle via SPI, applicable for soft start of DC brushed motors and LED dimming. Additionally, it offers smart diagnostic functions to assist vehicle systems in detecting the load status. In the event of wire breakage or short-circuits, the external MCU could get error information from internal registers for individual channels.
Product Features
- Wide operating voltage range: 4.5V~36V (Absolute max rating 40V)
- Rdson(HS + LS): 1.7Ω
- Peak current: 1A
- The PWM generator supports configurable frequency and duty cycle
- Open load diagnostics
- Undervoltage protection and overvoltage protection
- Operating temperature: Tj=-40°C~150°C
- AEC-Q100 qualified
Application
- Automotive body controller
- Automotive area controller
- Automotive HVAC controller
- Automotive thermal management system
Functional Block Diagram


For more product information, please contact us.