2024/11/19
2024/11/13
2024/11/13
2022/04/24
The NSI1312x series of isolated voltage sampling chips newly launched by NOVOSENSE support positive and negative voltage input and high impedance input, and support differential or single-terminal analog output, which can be widely used in automotive, industrial, high power supply AC and DC voltage detection.
Based on the innovative isolation technology and signal conditioning design of the microchip of NOVOSENSE, the series can provide electrical isolation capability of up to 5000 Vrms in demanding automotive and industrial applications. The CMTI of up to 150KV/us enables high precision and low temperature drift.
- Low-cost, two-way input
- Voltage sampling isolation operational amplifier NS11312x
- +1.2V bidirectional linear input voltage range
- High input impedance: 1 MΩ
- High common mode rejection ratio: 150kV/μs
- High bandwidth, high precision
- Optional output mode: differential output or single-ended analog output

Non-isolated operational amplifier VS isolated operational amplifier
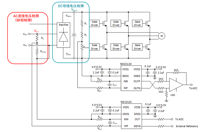
As shown in the figure above, this system adopts a typical three-phase input rectifier flow. Many customers use the sampling method shown in the figure above to collect high-voltage bus voltage -- high-resistance voltage divider + non-isolated operational amplifier +MCU integrated ADC to achieve cost optimization.
If non-isolated operational amplifier is adopted, improper handling or accidents may lead to high and low voltage interference, affecting the reliability of the entire system.
Advantages: Simple design, low cost
Disadvantage:
► The power circuit noise on the bus can be coupled to the control grounding, affecting the MCU operation or even damaging it.
► When the capacitors between DC+ and DC- are mismatched, the voltage between DC+ and DC- to N is unbalanced, and the common mode input of op-amp may be negative voltage. The operational amplifier needs negative voltage power supply, and the power supply design is complicated.
► In case of system overvoltage breakdown, such as short circuit of operational amplifier, control side circuit will be damaged.
► In the case of multi-channel partial voltage sampling, it is similar to multi-channel insulation resistance in parallel. In this case, the equivalent insulation resistance becomes smaller, the leakage current of the system increases, and the system cannot meet the safety standard requirement.
Currently, the common isolated operational amplifier in the industry can eliminate the above key problems, but due to its high cost, it has become a pain point that is difficult for most customers to accept. Moreover, the common isolated voltage sampling in the industry does not support negative voltage input, which limits its use in AC sampling.
Lower costs and higher performance
The new low-cost isolated operational amplifier NSI1312x series launched by NOVOSENSE can greatly lower the cost through the evolution of technology. It also supports ±1.2V bidirectional linear input voltage, supports the acquisition of AC and DC voltage, and realizes phase loss detection during acquisition of AC input. Moreover, NSI1312S supports single-end output voltage and can be directly connected to the ADC I/O port of MCU, without the need for additional operational amplifier for transferring differential to single end, which solves the bi-directional demand of both cost and performance for customers and provides a new standard for market competition.

Typical use cases
Summarize the advantages of the scheme
► Isolation between high and low voltages to improve system reliability
► High common mode rejection, with tolerance to high noise environment
► High voltage isolation, with small input leakage current to meet safety requirements
► Sampling voltage is more accurate. The NSi1312D can meet the accuracy requirements of ±0.5% @25 ° and ±1.5% @-40~125 ° at full input by selecting the appropriate resistance for sampling.
► Support positive and negative voltage sampling, taking into account the incoming line phase loss detection
► Available in narrow-body small packaging and single-end output version, with simple design
Good EMI performance
With years of accumulation in the field of capacitive isolation technology and patent advantages of NOVOSENSE, NSI1312x series products have excellent EMI performance. The following figure shows the EMI experimental comparison between products of international major brands and NOVOSENSE products under the same conditions:

As you can see, the NSI1312x EMI features core advantages in both vertical and horizontal conduction.

NSI1312D functional block diagram

NSI1312S functional block diagram