2024/11/19
2024/11/13
2024/11/13
2024/02/23
NOVOSENSE announced the launch of its NSI22C1x series isolated comparators based on capacitive isolation technology, which include NSI22C11 isolated single-ended comparators for overvoltage and overtemperature protection and NSI22C12 isolated window comparator for overcurrent protection. The NSI22C1x series can be used for overvoltage, overtemperature and overcurrent protection of industrial motor drives, solar inverters, uninterruptible power supplies and on-board chargers. While improving system reliability, it supports higher power density system designs and simplifies peripheral circuits to reduce the size of system protection circuits by 60% compared to the traditional discrete scheme.
Industrial motor drive systems, for example, are developing towards higher efficiency, higher power density and higher reliability. At the same time, with the application of wide bandgap semiconductors represented by SiC and GaN in power devices, higher requirements are placed on system reliability, especially the response time of overcurrent and short-circuit protection. The NSI22C1x series isolated comparators launched by NOVOSENSE can meet the growing demand for high reliability, high efficiency and compact design in industrial motor systems.

Ultra-low propagation delay and ultra-high CMTI support higher power density designs
The application environment of industrial motor drive systems is complex and harsh. Unexpected conditions such as bridge arm shoot-through, phase-to-phase short-circuit and ground short-circuit may occur, resulting in excessive current flowing into the motor drive system and causing damage to the driver. Traditional overcurrent detection design uses a discrete scheme of general-purpose comparators and optocouplers, with a response time of 3~5µs. As power devices shift from silicon-based IGBTs to third-generation semiconductors SiC and GaN, their short-circuit withstand time has been shortened to less than 1µs, which can no longer be met by the traditional scheme.

VIN(CH1), VOUT(CH2), VREF=320mV (protection threshold), NSI22C12 propagation delay measured 144ns
Meanwhile, general-purpose op amps/comparators have limited common-mode voltage tolerance and are limited in applications such as DC+ overcurrent and phase current overcurrent detection. If only DC- overcurrent is monitored, the fault condition of the motor shell being shorted to ground cannot be covered. NOVOSENSE's NSI22C12 isolated comparators provide a single-chip isolated overcurrent protection scheme that can cover a more comprehensive range of fault scenarioses, support a maximum propagation delay of 250ns and bi-directional overcurrent protection, and provide CMTI (Common-Mode Transient Immunity) of up to 150kV/μs, which greatly improves system reliability and supports the adoption of higher power density designs for customers' motor drive systems.

VIN=0V, VOUT(CH1), CMTI(CH3)=150kV/μs, VOHmin =2.40V>0.7*VDD2(VDD2=3.3V)
When the primary and secondary sides of NSI22C12 withstand a CMTI of up to 150kV/μs, the output still maintains a high level and overcurrent protection will not be mistakenly triggered.
Simplified system designs reduce the size of system protection circuits by 60%
In industrial motor drive systems, the bill of materials for the overcurrent protection scheme based on general-purpose comparators and optocouplers is up to 27 pieces, and the system failure rate of peripheral circuits consisting of numerous discrete devices is relatively higher. NSI22C12 integrates a high-voltage LDO with a primary-side supply range of 3.1~27V, which can help customers reduce extra step-down regulators; NSI22C12 also integrates a 100μA ±1.5% high-precision current source, which can help customers achieve ±20mV~±320mV bidirectional threshold adjustment with only a single resistor on board.
With the support of a highly integrated design, the overcurrent protection scheme using NSI22C12 isolated comparators can reduce the bill of materials to 11 pieces and reduce the size of system protection circuits by 60%, greatly reducing the use of discrete devices, simplifying the system design, and further improving system reliability. At the same time, in some systems with fast protection requirements, using NSI22C12 isolated comparators can reduce the use of high-speed optocouplers and provide customers with more cost-effective design options.

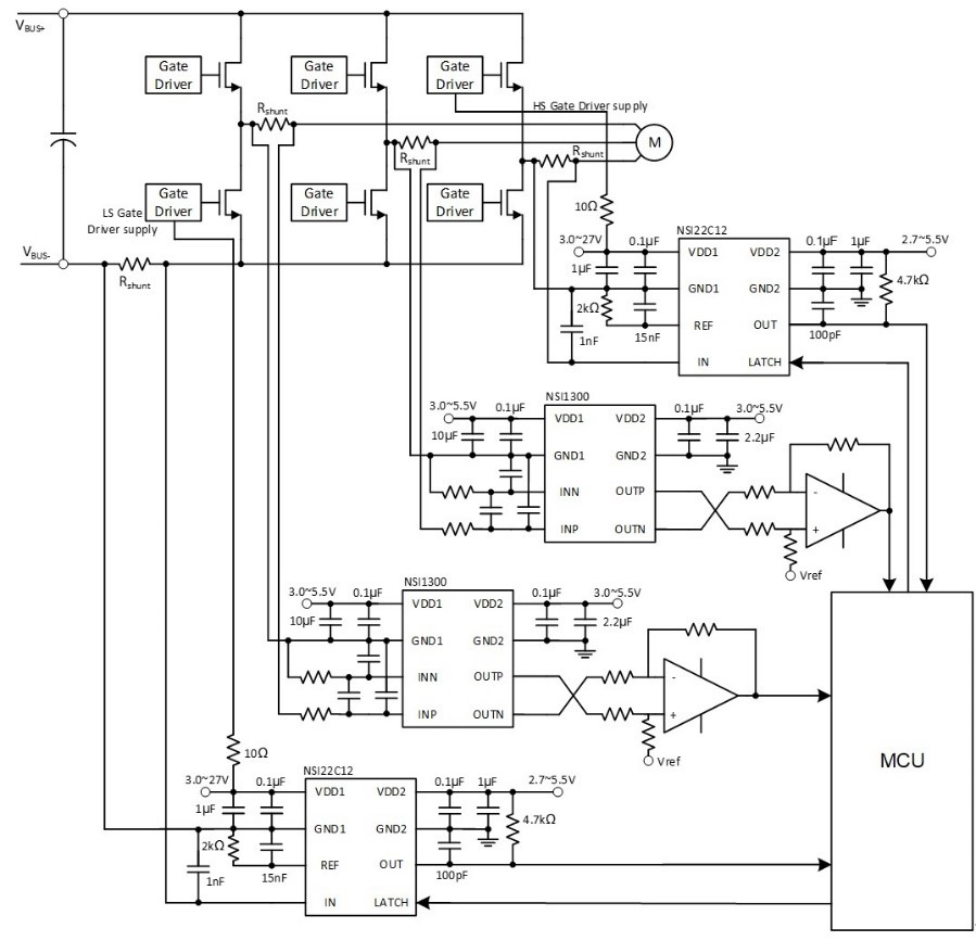
Typical application block diagram of NSI22C12 for bus/phase current protection in motor drive systems
Packaging and selection
NSI22C11 isolated single-ended comparator and NSI22C12 isolated window comparator NSI22C12 are available in both SOP8 package (for basic isolation) and SOW8 package (for reinforced isolation). In addition, the NSI22C1x series supports a wide operating temperature range of -40°C to 125°C. Currently, the industrial version of the NSI22C1x series has been put into mass production, and the AEC-Q100 automotive version is expected to be launched in the second half of 2024.
For sales support and sample application, please contact us at:
Tel: 0086-512-62601802
Email: sales@goto-uk.com