2025/03/18
2025/03/05
2025/03/04
2025/01/06
NOVOSENSE today announced the launch of the NSIP3266 full-bridge transformer driver with integrated crystal oscillator, multiple protection functions and soft start support, which can be widely used in isolated driver power supply circuits in automotive on-board chargers (OBCs), traction inverters and charging piles, photovoltaic power generation and energy storage, server power supply and other systems. NSIP3266 supports a full-bridge topology with a wide range of inputs, and with clever pin and function design, it greatly simplifies the design of isolated driver’s power supply circuits, facilitating system manufacturers to optimize system circuits and shorten product time to market.

Currently, isolated driver's power supply in high-voltage systems is available in three architectural forms: centralized, fully distributed, and semi-distributed. Centralized architecture has only one stage of power supply, and the auxiliary power input voltage has a wide input range, requiring closed-loop operation. At the same time, the transformer design is complicated, and especially when a single low-cost isolated power supply is used, there are problems of multi-output load regulation and long wiring, which increase the difficulty of system design and debugging.

A typical centralized architecture with a single isolated power supply
Fully distributed architecture uses independent isolated power modules to supply power to isolated drivers. The advantage is that 1-to-1 power supply and targeted protection can be achieved for isolated drivers, but a corresponding number of isolated power modules need to be configured, and the system cost is high.

A typical fully distributed architecture with multiple isolated power modules
Semi-distributed architecture adopts a balanced strategy. Through a two-stage auxiliary power architecture, the first stage uses devices with a wide input voltage range to generate regulated rails, and the second stage can be a compact open-loop form using other devices to provide isolated power supply for isolated drives. Semi-distributed architecture is gaining popularity among engineers because of its simplicity in design and balance of system cost, performance, and protection requirements.

A typical semi-distributed architecture with two-stage auxiliary power supply
Simplified circuit design with full-bridge topology
NOVOSENSE's NSIP3266 full-bridge transformer driver is designed for semi-distributed architecture with isolated driver power supply. Common topology options for semi-distributed architecture include push-pull, LLC, and full-bridge. NSIP3266 adopts full-bridge topology. Compared with other solutions, the principle of full-bridge topology is simple, the transformer structure does not require a center tap, the working principle does not involve the design and selection of external L and C, and the peripheral BOM is often minimal. At the same time, the full-bridge topology is more tolerant to transformer design, including leakage inductance and parasitics, which saves engineers' efforts in system design and debugging.

NSIP3266 adopts full-bridge topology design
Ingenious design releases MCU resources
It is worth mentioning that NSIP3266, through the internal integrated crystal oscillator circuit and RT pin design, allows engineers to complete the switching frequency configuration with only external resistors, achieving decoupling of MCU control and more flexible layout. At the same time, it can still provide safe power supply when the MCU fails, promoting higher system safety. In addition, the built-in soft-start function of NSIP3266 also eliminates the need for MCU control. While not requiring MCU domain routing, it saves secondary-side current limiting resistors, greatly simplifying board design and improving architectural flexibility.

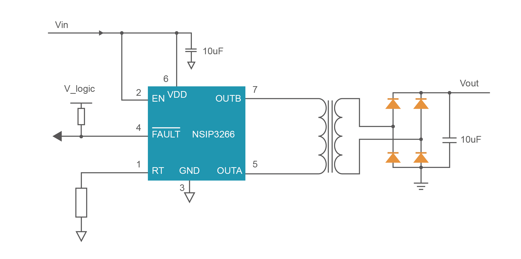
Typical isolated driver power supply circuit designed with NSIP3266
Wide voltage input and comprehensive protection
NSIP3266 supports a wide operating voltage range of 6.5V~26V. No additional TVS protection tube is required in the system circuit, allowing engineers to choose the pre-stage power supply more flexibly. In addition, NSIP3266 provides multiple protection functions, including undervoltage protection, overcurrent protection, over-temperature protection, etc. The comprehensive protection functions enable engineers to focus on the optimization and innovation of the core system functions, and to design the system quickly and efficiently to meet the reliability requirements.
Packaging and selections
NSIP3266 is available in EP-MSOP8 package (3.0 x 3.0mm x 0.65mm, with thermal pad). The industrial version, NSIP3266-D, and the automotive version, NSIP3266-Q1, which meets the requirements of AEC-Q100, will be mass-produced in the first half of 2025. Please contact NOVOSENSE's sales team (sales@goto-uk.com) for product details or to request samples.
Rich isolation products meet diverse needs
With its expertise and leadership in isolation technology, NOVOSENSE provides a series of isolation and "isolation+" products covering digital isolators, isolated sampling, isolated interfaces, isolated power supply, and isolated drivers. NSIP3266 is a new addition to NOVOSENSE's isolated power supply family. NOVOSENSE also offers a selection of other cost-effective and high-performance, high-integration options, including: the NSIP605x series of push-pull transformer drivers; the NSIP88/89xx and NIRSP31x series with integrated transformers and multi-channel digital isolators; the NSIP83086 isolated RS485 transceiver and the NSIP1042 isolated CAN transceiver with integrated transformers and isolated interfaces. NOVOSENSE's comprehensive "isolation+" product portfolio can meet the diverse system design needs of various types of customers and provide one-stop chip solutions for them.