High Reliability Isolated Half-Duplex RS-485 Transceivers
NSI83085C is a high reliability isolated half duplex RS-485 transceiver based on NOVOSENSE digital isolation technology. The NSI83085C is safety certified by UL1577 support 5kVrms insulation withstand voltages, while providing high electromagnetic immunity and low emissions at low power consumption. The Bus pins of NSI83085C is protected from ±10kV system level ESD to GND2 on Bus side. The device feature fail-safe circuitry, which guarantees a logic-high receiver output when the receiver inputs are open or shorted. The device has a 1/8-unit-load receiver input impedance that allows up to 256 transceivers on the bus. The data rate of NSI83085C is 12Mbps. The device is slew limited to reduce EMI and reflections with improperly terminated transmission line.
Product Features
Up to 5000Vrms Insulation voltage
Bus side power supply voltage: 3.0V to 5.5V
VDD1 supply voltage: 2.5V to 5.5V
High CMTI: ±150kV/μs
High system level EMC performance: Bus Pins meet IEC61000-4-2 ±10kV ESD
Fail-safe protection receiver
Up to 256 transceivers on the bus
Operation temperature: -40°C ~105°C
RoHS-compliant packages: SOW16
Safety Certificate
UL recognition: up to 5000Vrms for 1 minute per UL1577
CQC certification per GB4943.1
CSA component notice 5A approval IEC60950-1 standard
DIN EN IEC 60747-17 (VDE 0884-17)
Application
Industrial automation system
Isolated RS-485 communication
Smart electric meter and water meter
Security and protection monitoring
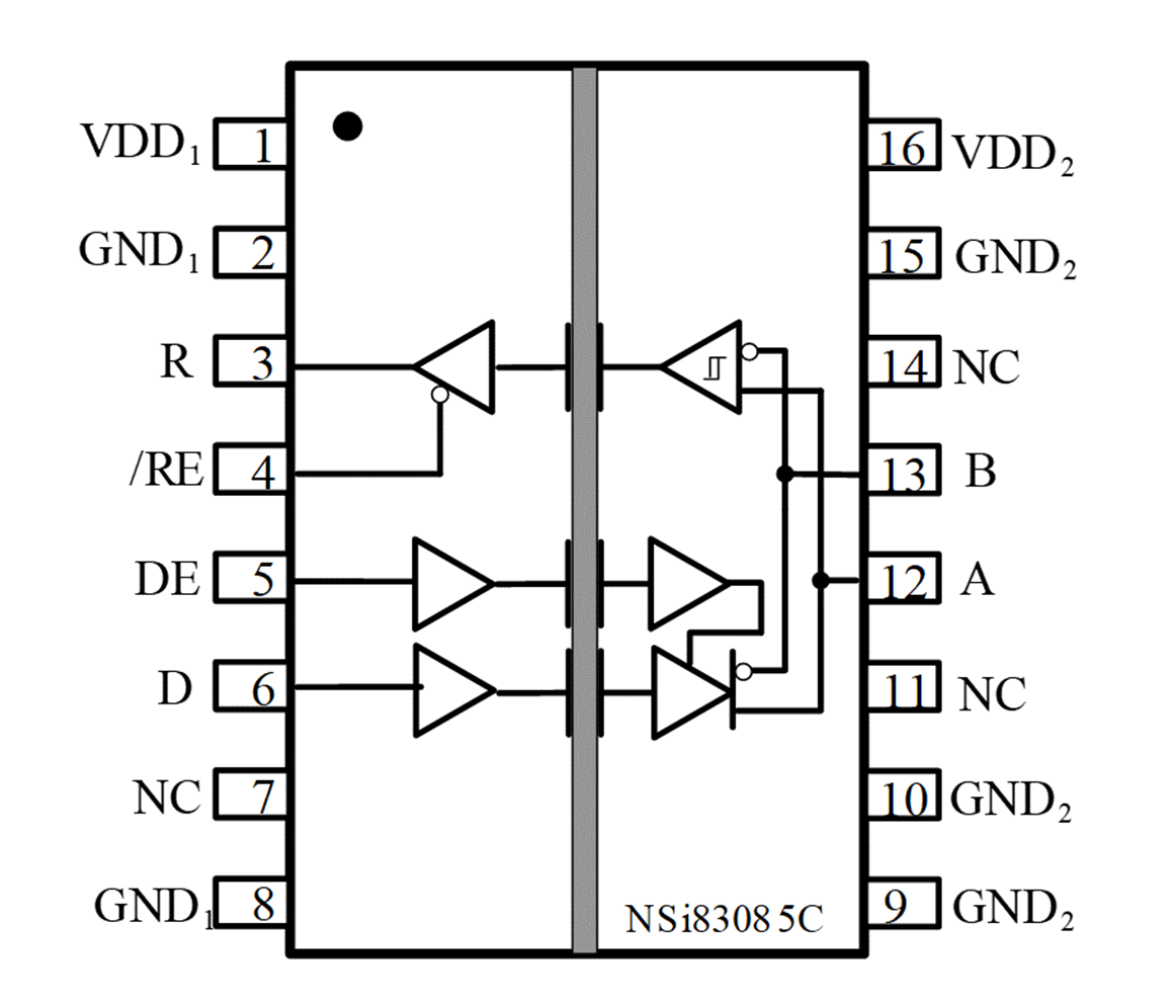
Functional Block Diagram

All Resources

For more product information, please contact us.