申博_申博手机版-平台官网申博

Product

Product

High-precision Single-BUS Digital Temperature Sensor

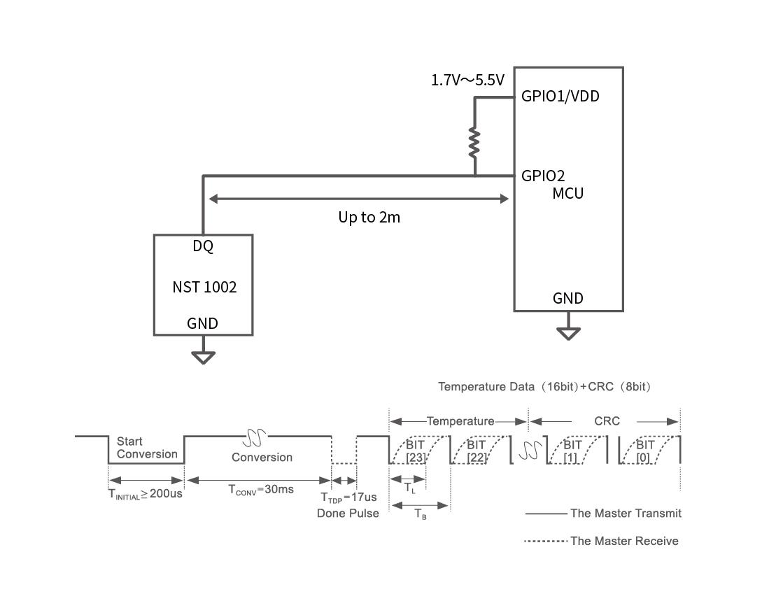
NST1002 is a high-precision dual-pin single bus-type temperature sensor. NST1002 has a single bus protocol output interface and high precision in a wide temperature range. It can be directly connected with MCU to ensure the measurement accuracy and reduce the overhead. The NST1002 device supports a maximum accuracy of ±0.5°C over temperatures ranging from -50°C to 150°C, while providing extremely high resolution (0.0078125°C) without system calibration or hardware/software compensation. The digital interface of the single bus protocol is designed to connect directly to GPIO, simplifying hardware design. The simple dual-pin architecture enables the NST1002 device to be easily converted into a two-wire temperature probe.


Product Features

•  Operating temperature range: ‒50°C to 150°C

•  High accuracy over ‒50°C to 150°C

DFN-2L

     0°C~85°C: ±0.1°C (typical) ±0.25°C(max.)

     -40°C ~125°C: ±0.5°C (max.)

     -40°C ~150°C: ±0.5°C (max.)@3.3V

 

TO-92S-2L

     0°C~85°C: ±0.2°C (typical)

     -20°C ~85°C: ±0.35°C (max.)

     -40°C ~125°C: ±0.7°C (max.)

     -40°C ~125°C: ±0.7°C (max.) @3.3V

 

•  High resolution: 0.0078125°C (1 LSB)

•  Quick temperature response: silicone oil τ63%0.27S (DFN2L)

•  Single temperature conversion time: 32ms

•  Ultra-low power consumption: 30µA operating current, zero standby power consumption

•  Supply voltage range: 1.7V to 5.5V

•  Single bus protocol digital output, without AD conversion port

•  Support dual pin simplified temperature measurement solution

•  DFN2L ultra small packaging, with same size as 0603 resistance


Application

•  Ammeter

•  Gas meter temperature measurement

•  Intelligent closestool

•  Home appliances

•  Glucometer

•  Digital temperature probe

•  Intelligent wearables

•  Industrial Internet of Things

•  Battery temperature detection


Functional Block Diagram

功能框图-NST1002.jpg

For more product information, please contact us.

申博