申博_申博手机版-平台官网申博

Product

Product

I2C/SMBus Interface Digital Temperature Sensor with Automotive-Grade Standard Packaging

The NST175-Q1 is a low-power, high-precision digital temperature sensor ideal as an alternative to negative temperature coefficient (NTC) and positive temperature coefficient (PTC) thermistors. The device provides max accuracy of ±0.5 °C without calibration or signal adjustment from external components. NST175-Q1 temperature sensor is a highly linear product, which can sense the temperature without complex calculation or lookup. The on-chip 12-bit analog-to-digital converter (ADC) provides resolution as low as 0.0625 ° C. The NST175 is compatible with SMBus and I2C, allowing a maximum of 27 devices to be connected to one BUS and supporting the SMBus alarm function. The NST175 has a rated operating range of -40 °C to 125 °C and is ideal for extended temperature measurement in a wide range of automotive applications. NST175-Q1 comes in industry-qualified MSOP8 and SOP8 packages.

Product Features

•  Maintain high accuracy in full temperature range:

- -20℃~ 85℃: ±0.2℃ (typical)

- -40℃~125℃: ±1℃ (max.)

•  Maximum resolution 0.0625℃, optional

•  Up to 27 device addresses supported

•  Wide supply voltage range: 1.62V to 5.5V

•  Working current: 30μA (typical)

•  Turn-off current: 0.1μA (typical)

•  Digital port: compatible with SMBus, I2C

•  AEC-Q100 Grade1


Application

•Car air conditioning system

•Automotive infotainment systems

•Air flow sensor

•Battery Management System (BMS)

•Engine control unit

•Car HID lights

•Airbag control unit

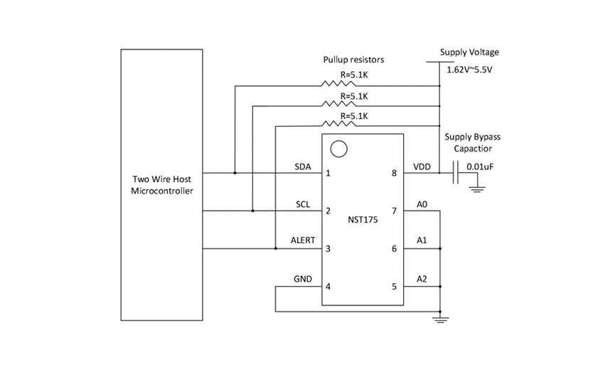
Functional Block Diagram

英功能框图.png

For more product information, please contact us.

申博