我们非常重视您的个人隐私,当您访问我们的网站时,请同意使用的所有cookie。有关个人数据处理的更多信息可访问《隐私政策》
产品特性
完全符合 ISO11898-2 标准
绝缘电压高达 5000Vrms
电源电压:
VDD1: 2.5V 至 5.5V
VDD2:4.5V 至 5.5V
总线故障保护 -58V 至 +58V
传输数据 (TXD) 主导超时功能
过流和过温保护
数据传输速率:高达 5Mbps
无电源时的理想无源高阻抗总线和逻辑终端
高 CMTI:150kV/μs
低环路延迟 <220ns
高系统级 EMC 性能:增强的系统级 ESD、EFT 和浪涌抗扰度
工作温度:-40°C ~125°C
通过 AEC-Q100 Grade 1认证
符合 RoHS 规范的封装: SOW8、SOW16
安全认证
UL 认证:
SOP8(300mil):5000Vrms 1 分钟,符合 UL1577 标准
SOP16(300mil):5700Vrms 1 分钟,符合 UL1577 标准
CQC 认证:符合 GB4943.1
CSA 认证:组件符合 5A
DIN EN IEC 60747-17 (VDE 0884-17)
应用场景
工业自动化系统
隔离 CAN 总线
电信
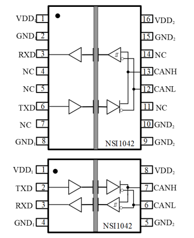
功能框图

所有资源

如您需要咨询产品更多信息,请点击“申博”,我们将尽快回复您!