我们非常重视您的个人隐私,当您访问我们的网站时,请同意使用的所有cookie。有关个人数据处理的更多信息可访问《隐私政策》
NSI8308xE是基于NOVOSENSE数字隔离的收发器技术的隔离RS-485收发器系列,其中NSI83085E是半双工RS-485收发器,而NSI83086E是全双工RS-485收发器。两款产品均通过UL1577安全认证,支持5kVrms绝缘耐压,同时拥有低辐射,低功耗和很强的抗电磁干扰能力。NSI8308xE的总线侧的总线引脚对地拥有±10kV的系统级ESD的保护。此产品具有故障安全功能电路,当接收器输入断开或短路时,确保接收器输出逻辑高。其具有1/8单位负载的接收器输入阻抗,允许总线上最多连接256个收发器。NSI83085E的数据速率为12Mbps,NSI83086E的数据速率为16Mbps。
产品特性
•绝缘耐压5000Vrms
•总线侧电源电压:3.0V至5.5V
•VDD1电源电压:2.5V至5.5V
•高CMTI:±150kV/μs
•较高的系统级EMC性能:
o总线引脚符合IEC61000-4-2±10kV ESD
•故障安全保护接收器
•支持256个收发器
•隔离栅寿命:> 60年
•工作温度:-40℃~105℃
•符合RoHS的封装:SOW16
安全认证
• UL1577认证: 1分钟 5kVrms
• CQC认证:符合GB4943.1-2011
• CSA认证:组件符合5A
• VDE认证:DIN V VDE V 0884-11:2017-1
应用场景
•工业自动化系统
•隔离485通信系统
•智能电表和水表
•安防和监控系统
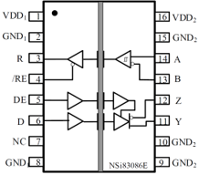
功能框图

所有资源

如您需要咨询产品更多信息,请点击“申博”,我们将尽快回复您!