申博_申博手机版-平台官网申博

我们非常重视您的个人隐私,当您访问我们的网站时,请同意使用的所有cookie。有关个人数据处理的更多信息可访问《隐私政策》

产品中心
隔离单管驱动

产品中心

光耦兼容的单通道隔离式栅极驱动器

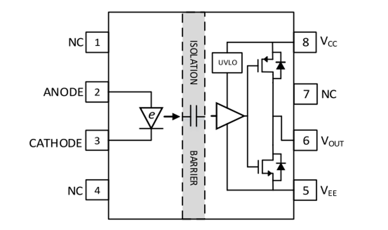
NSI6801是单通道兼容光耦输入的隔离式栅极驱动器,可应用于驱动IGBT、SiC 和 MOSFET。它可以提供5A的峰值拉/灌电流。支持150kV/μs的最小共模瞬态免疫(CMTI),确保了系统的鲁棒性。驱动器的最大电源电压为32V。 其与光耦式栅极驱动器相比具有性能优势,包括更好的可靠性和老化性能,更高的工作温度,更短传播延迟和较小的脉冲宽度失真。因此,在要求高可靠性,高功率密度和高效率开关电源系统,光伏逆变器,电机驱动系统中,NSI6801适合替代光耦隔离驱动器。

产品特性

• 引脚兼容P2P替代光耦驱动器,性能升级

• 驱动器侧电源电压:高达32V,具有UVLO功能

• 5A/5A的峰值拉/灌电流

• 高CMTI:150kV / μs

• 75ns典型传播延迟

• 30ns最大脉冲宽度失真

• 工作环境温度:-40℃~125℃

• 符合RoHS的封装

      • SOW6

      • DUB8

安全认证

• UL1577认证:

     • SOW6:1分钟 5.7kVRMS

     • DUB8:1分钟 5kVRMS

•  DIN VDE V 0884-11:2017-01 

•  CSA component notice 5A  

•   CQC certification per GB4943.1-2011 

应用场景

• 太阳能逆变器

• 储能

• 伺服电机

• 变频器

功能框图

如您需要咨询产品更多信息,请点击“申博”,我们将尽快回复您!

申博