我们非常重视您的个人隐私,当您访问我们的网站时,请同意使用的所有cookie。有关个人数据处理的更多信息可访问《隐私政策》
产品特性
• 宽供电范围: ±1.35 V 到 ±20 V,2.7 V 到 40 V
• 低偏置电压: 200μV 典型值
• 低偏置电压漂移: ±0.5 μV/°C 典型值
• 低静态电流: 每个放大器 600 µA
• 单位增益稳定
• 增益带宽积: 5 MHz
• 高瞬态响应速率: 12 V/μs 典型值
• 强大的EMIRR性能: 输入和供电引脚上有EMI/RFI滤波器
• 差分和共模输入电压范围: 至供电轨,MUX友好/比较器输入
- 放大器可与差分输入一起使用,直到供电轨
- 放大器可以在开环模式下使用或作为比较器
• 扩展温度范围: –40°C 到 125°C
应用场景
工业应用:
• 多路复用数据采集系统
• 测试和测量设备
• ADC驱动放大器
• SAR ADC参考缓冲器
• 可编程逻辑控制器
• 高侧和低侧电流检测
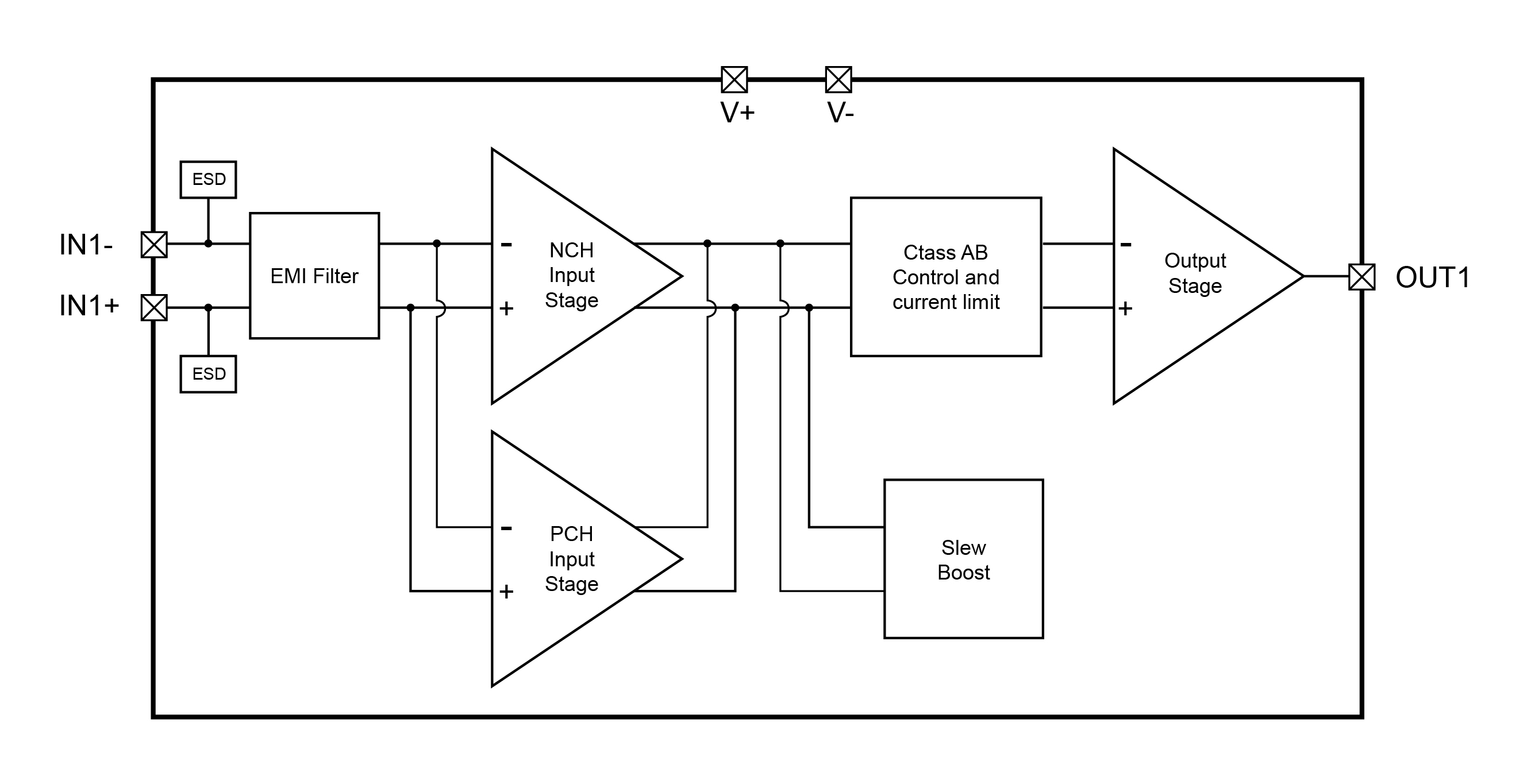
功能框图


如您需要咨询产品更多信息,请点击“申博”,我们将尽快回复您!