我们非常重视您的个人隐私,当您访问我们的网站时,请同意使用的所有cookie。有关个人数据处理的更多信息可访问《隐私政策》
在电源与充电桩等高功率应用中,通常需要专用驱动器来驱动最后一级的功率晶体管。这是因为大多数微控制器输出并没有针对功率晶体管的驱动进行优化,如足够的驱动电流和驱动保护功能等,而且直接用微控制器来驱动,会导致功耗过大等弊端。
首先,在功率晶体管开关过程中,栅极电容充放电会在输出端产生较高的电压与电流,高电压与高电流同时存在时,会造成相当大的开关损耗,降低电源效率。因此,在控制器和晶体管之间引入驱动器,可以有效放大控制器的驱动信号,从而更快地对功率管栅极电容进行充放电,来缩短功率管在栅极的上电时间,降低晶体管损耗,提高开关效率。其次,更大的电流可以提高开关频率,开关频率提高以后,可以使用更小的磁性器件,以降低成本,减小产品体积。

为什么要用隔离驱动?
给功率管增加驱动的方式有两种,一种是非隔离驱动,一种是隔离驱动。传统电路里面经常见到非隔离驱动,在高压应用中一般采用半桥非隔离驱动,该驱动有高低两个通道,低侧是一个简单的缓冲器,通常与控制输入有相同的接地点;高侧则除了缓冲器,还包含高电压电平转换器。
非隔离驱动有很多局限性。首先,非隔离驱动模块整体都在同一硅片上,因此耐压无法超出硅工艺极限,大多数非隔离驱动器的工作电压都不超过700伏。其次,当高侧功率管关闭而低侧功率管打开时,由于寄生电感效应,两管之间的电压可能会出现负压,而非隔离驱动耐负压能力较弱,所以如果采用非隔离驱动,应特别注意两管间电路设计。第三,非隔离驱动中需要用到高电压电平转换器,高电平转换到低电平时会带来噪声,为了滤除这些噪声,电平转换器中通常加入滤波器,这会增加传播延迟,而低侧驱动器就需要额外增加传输延迟,以匹配高侧驱动器,这就既增加了成本,又使得延迟很长。第四,非隔离驱动与控制芯片共地,不够灵活,无法满足现在许多复杂的拓扑电路要求,例如在三相PFC三电平拓扑中,要求多个输出能够转换至控制公共端电平以上或以下,所以这种场景无法使用非隔离驱动。

相比非隔离驱动,隔离驱动就有很多优势,这里以数字隔离驱动来做说明。在数字隔离驱动器内部,有两块或更多的硅片,硅片之间通过绝缘材料隔离,而控制信号通过电容型或电磁型方式穿过隔离层来传递,从而让输入与输出处于不同硅片上,这种隔离方式能绕过硅工艺极限,可以满足高耐压需求,隔离驱动可以承受10kV以上的浪涌电压。此外,两个输出驱动之间,也有绝缘材料建构的隔离带,所以与非隔离驱动要求与控制信号共地不同,隔离输出接地点选择更灵活,可以匹配不同电路拓扑需要。

纳芯微NSi8100N系列双通道双向I2C数字隔离器满足AEC-Q100标准,数据率高达150Mbps,时钟速率可达2MHz,提供数字通道方向配置选择,输出默认高电平和低电平选择。宽供电范围可直接对接大多数MCU等数字接口,并且可以方便的提供电平转换功能。纳芯微最新推出的隔离CAN收发器NSi1050的传输速率可达1Mbps,远高于电摩BMS标准的要求。
数字隔离驱动器的优势
光耦隔离是传统的隔离方式,但与数字隔离相比,光耦隔离在性能和面积上都不占优势。
首先,光耦隔离方案传输延迟较大,通常在百纳秒以上。在光耦隔离方案中,LED将栅极驱动信号转换为光信号,再通过光电二极管等光敏电路转换为待测电信号,根据结构设计的不同,常见的光耦传播延迟在几百纳秒甚至微秒级。高速光耦通过优化内部寄生参数、增加LED驱动强度等设计,可在几十纳秒时间内接通和断开,但成本会上升很多。
常规光耦方案的传播延迟甚至不如非隔离驱动。在半桥非隔离驱动中,因为增加添加了速度较慢的高电压电平转换器,以及去毛刺和滤波电路,常见延迟时间可达到100纳秒,因为低侧要与高侧匹配,所以要在低侧添加一个单独的延迟时钟,整个系统传播延迟在100纳秒左右。
数字隔离驱动通过上百兆高频载波编解码,开关只需几纳秒甚至更短的时间。但由于内部逻辑延迟和去毛刺滤波设计,所以延迟到几十纳秒。以纳芯微NSi6602为例,隔离驱动传输延迟典型值是在25纳秒,最高值不超过35纳秒。
其次,光耦方案脉宽失真较大。因为光电检测器中的LED开启和关闭时间并不总是对称,且温度越高不对称越严重,所以光耦脉宽失真比较严重,光耦方案脉宽失真范围从几十纳秒到几百纳秒。
数字隔离驱动的脉宽失真主要由振荡器计时精度、隔离层传输特性和接收端检测电路造成。NSi6602可将脉宽失真控制在6纳秒以内,在脉宽失真这项参数上,数字隔离驱动也是大幅领先。
其他在设计中要注意的参数
除了传播延迟和脉宽失真。在半桥拓扑中,如果使用单通道隔离驱动器,需要注意上下两通道的延时匹配,如果采用了不同批次的器件,很容易带来延时匹配问题,另外,两个单通道隔离驱动在工作时结温可能也会有差异,温度差也会导致信号传输延时。对NSi6602这种高集成的双通道半桥数字隔离驱动而言,就不太需要考虑延时匹配问题,这是因为在封装时,纳芯微都会选择同一批次而且在晶圆上位置最接近的一对接收器,这样制造差异影响最小,而一对接收器封装在同一个芯片中,也能减少温度差异对延时的影响。NSi6602可将上下通道的延时匹配这个指标控制在5纳秒以内。
共模瞬态抗干扰度(CMTI)也是一个需要注意的指标。特别是如果驱动后级接的是碳化硅功率管,这是因为碳化硅功率管寄生电容更小,所以电压瞬态变化值更大,同样一个系统,如果从MOS功率管改为碳化硅功率管,其瞬态电压比时间(dV/dt)的峰值会是MOS管的2到3倍,所以需要更高的CMTI指标。NSi6602的CMTI达到±150kV/μs,驱动碳化硅功率管毫无压力。
在5G基站、数据中心和充电桩中的应用
随着开关电源的小型化和智能化,在5G通信、数据中心、充电桩和车载电源中,工程师越来越多选择隔离驱动以增强电源性能。
由于历史原因,通信系统直流供电一般采用-48V输入,即备电电池的正端接地。在过去,通信设备内部通常采用升降压式(Buck-Boost)非隔离拓扑来实现输入负压到输出正压的转换。但伴随5G的到来,基站部署数量增加,基站设备小型化要求也越来越高,这就需要在电源部分进一步提高功率密度,采用隔离驱动会带来很多好处。

非隔离驱动需要与控制芯片共地,所以非隔离驱动中,控制芯片地只能取在-48V,这就使得控制芯片易受到来自-48V电平的浪涌或雷击等影响。而采用隔离驱动,则可以把控制芯片与驱动接到不同的接地点,控制芯片可以接在PGND(即设备地),所以不易受雷击与浪涌影响,抗干扰能力强。而且,控制芯片接到设备地也使得其与上位机通信更加方便,不需要再加总线隔离芯片,输出采样也不用隔离,电源性能更稳定,采样保护更及时。
在数据中心交流转直流(AC-DC)电源中,也可以通过加入NSi6602隔离半桥驱动来改善电源性能,在流行的整流桥加升压PFC与LLC架构中,还可以通过增加隔离半桥驱动的方式,将有桥PFC改为无桥PFC,从而减少二极管使用数量,并提高电源效率。

在新能源汽车充电桩中的直流转交流电源通常采用三相交流供电,由于该设备须人员操作,所以在安全标准上要求极高,需要在操作人员可使用的接口与任何高压电路之间提供增强隔离,以满足系统对安全的要求,防止瞬时过压、浪涌过压和爬电等造成的安全隐患。这时候,隔离驱动就是最好的选择。

事实上,充电桩直流输出高达800V,而非隔离驱动最高耐压只有700V,无法满足充电桩应用的基本要求。而变压器隔离驱动效率低、器件多、面积大。以NSi6602为代表的数字隔离驱动则具有高集成特性,成本更低,而且满足加强绝缘要求,在可承受耐压条件下,可工作十年以上。
基于隔离半桥驱动的240W高效率同步整流电源方案
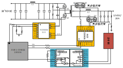
如下图所示,是一款可用于通信系统的48V输入、12V输出240W的隔离半桥同步整流电源方案,其开关频率为200KHz,最高效率可达95%
此电源方案的半桥功率管驱动部分与副边同步整流功率管驱动部分采用了纳芯微高集成度、高可靠性隔离半桥驱动芯片NSi6602,输出反馈控制部分采用了纳芯微高精度隔离误差放大器NSi3190。此方案支持输入电压范围36V-60V,输出电压12V,电流20A,开关频率200KHz,原副边的辅助供电电路采用Fly-buck拓扑,本电源具备UVLO\OVP\OCP\OTP等多种保护功能。功能框图如下:
图 240W同步整流电源功能框图
总结
在5G通信、数据中心、充电桩和车载电源等应用中,无论是与非隔离驱动,还是与光耦隔离驱动相比,数字隔离驱动在传播时延、可靠性和尺寸等方面都具有明显的优势,由于集成度高,成本优势也很明显,特别适合当前开关电源设计智能化、小型化的趋势。