我们非常重视您的个人隐私,当您访问我们的网站时,请同意使用的所有cookie。有关个人数据处理的更多信息可访问《隐私政策》
近年来,数字隔离芯片在工业、医疗、汽车等领域越来越多的被工程师所信赖。数字隔离芯片因为体积小,集成度高,功耗低,通讯速度高等显著的特点,正在逐步替代传统的光耦器件。数字隔离芯片是系统中涉及到高压安全的核心器件,因此出厂的时候需要经过严格筛选。
UL1577安规标准中明确规定,产品出厂的时候必须要进行产品规格所对应的绝缘耐压条件下60s或是1.2倍绝缘耐压条件下1s的测试,通过高压测试的产品才可以出厂。以隔离强度为3000Vrms的产品为例,其在出厂时需要进行在3000Vrms、频率为60Hz交流电压下承受60s或是在3600Vrms、频率为60Hz的交流电压下承受1s的高压测试,通过后才可以出厂。
UL1577规定的高压测试的检测方法是检测绝缘层的漏电流。如果数字隔离芯片的绝缘层耐压能够承受测试高压,那么检测到的绝缘层的漏电流会比较小,这个数值通常是uA级别,这是因为施加的是低频的交流高压,只要隔离两侧存在一定的寄生电容,就会有交流漏电流存在。但是如果数字隔离芯片的绝缘层耐压不能够承受对应的高压,那么绝缘层就会因为高压而产生不可控制的漏电流,最后导致隔离带受损。
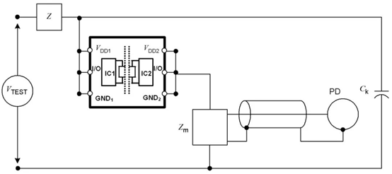
通常数字隔离芯片的绝缘层在生产制造的时候有较高的环境洁净度要求,不能有气泡或是空隙的存在,这样才能保证良好的绝缘效果和较长的绝缘寿命。但是在实际生产过程中,难以确保所有芯片100%的保证绝缘层没有气泡或者是空隙,而这些空隙或者气泡的存在会导致绝缘性能下降,但是这些空隙或气泡并不能通过检测高压漏电流的方法检测出来。当高压加在绝缘介质两端,因为这些气泡或空隙的存在,会产生局部放电(Partial Discharge),轻微的局部放电对电力设备绝缘的影响较小,绝缘强度的下降较慢;而强烈的局部放电,则会使绝缘强度很快下降。这是使高压电力设备绝缘损坏的一个重要因素。局部放电会伴随产生电脉冲、超声波、电磁辐射、光、化学反应,并引起局部发热等现象,是电器元件老化的预兆。局部放电检测的施加电压不是绝缘耐压值,而是加在绝缘层上的工作电压,因为只有工作电压才是长期作用在绝缘层上的,并且可能会引起不良品反复的充放电,最终导致绝缘层过早地失效。因此,VDE0884-10安规规定在产品出厂测试时,除了高压漏电流测试外,还需要进行局部放电检测。局部放电检测的测试电压是峰值工作电压的1.875倍,测试时间为1s,检测结果的目标值是漏电荷的大小。

图1. 局部放电测试电路
申博电子股份有限公司的数字隔离芯片NSi81xx系列的所有产品严格按照安规要求进行出厂测试。为了进一步提高产品的可靠性,NSi81xx系列数字隔离芯片出厂的FT测试在常规低压性能测试的基础上增加了高压绝缘测试,其中包括了绝缘耐压测试和局部放电测试两部分,这为纳芯微数字隔离芯片的高可靠性提供了坚实的保障。
纳芯微电子为了保证出厂的数字隔离芯片的可靠性,探索建立了一套有效可靠的高压测试系统,特别是局部放电测试系统,该系统不仅需要专用的检测仪器,还需要对自动测试的handler进行特殊改造,目前该套数字隔离芯片的高压测试系统已得到了国内外安规机构的认可。

图2. 数字隔离芯片出厂FT高压绝缘测试波形